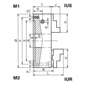
Měkká dělená čelist MD - (základní čelist SM a nástavec měkký ND nebo NC) 243876 400/3, 403300
17 024,70 Kč
14 070,00 Kč
bez DPH
na dotaz
(dodání do 4 dnů)


