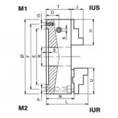
Měkká dělená čelist MD - (základní čelist SM a nástavec měkký ND nebo NC) 243876 315/3, 313300
12 874,40 Kč
10 640,00 Kč
bez DPH
na dotaz
(dodání do 4 dnů)


