Provedení:
  • Přesně broušené pro přestavení, díky tomu krátké časy pro vyrovnání přípravků, strojních svěráků a přístrojů, které je třeba vyrovnat rovnoběžně s drážkami ve stolech obráběcích strojů. Není tedy třeba používat číselníkové úchylkoměry.



    Použití:
  • Volné drážkové kameny se po hrubém vyrovnání přípravku zasouvají ze strany do drážek. Při přepravě přípravku pak nevadí žádné dole vyčnívající vložky a nemůže tak dojít k poškození stolu stroje. Pro jeden stroj stačí vždy 2 kusy, resp. 4 kusy při dvojitém upnutí.



    Norma:
  • DIN 6323



    Materiál:
  • Ocel C 15, cementovaná, kalená.



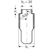
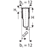
    Technické údaje
  • Typ - 6323
  • Rozměr drážky b1 stroje - 10 mm
  • Rozměr drážky b2 přípravku - 12 mm
  • Výška H - 12 mm
  • Výška H1 - 3,6 mm
  • Délka - 20 mm

    Další parametry

    Sklademfalse
  • Přečetl(a) jsem si a beru na vědomí zpracování osobních údajů.