Provedení:
  • Přesně broušené pro přestavení, díky tomu krátké časy pro vyrovnání přípravků, strojních svěráků a přístrojů, které je třeba vyrovnat rovnoběžně s drážkami ve stolech obráběcích strojů. Není tedy třeba používat číselníkové úchylkoměry.



    Použití:
  • Tyto kameny se šroubují v párech do normované, 20 mm široké nastavovací drážky přípravků. Výměnou kamenů lze pracovat s použitím jednoho přípravku na více strojích s různými šířkami drážek.



    Materiál:
  • Ocel C 15, cementovaná, kalená.



    Přesnost:
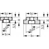
  • Rozměr b = lícování h6.



    Poznámka:
  • Vel. 20 viz č. 375370.



    Technické údaje
  • Typ - 6322A
  • Rozměr drážky b1 stroje - 28 mm
  • Rozměr drážky b2 přípravku - 20 mm
  • Pro šrouby DIN 84, DIN 912 - M6×16
  • Délka - 32 mm
  • Výška H - 12 mm


    Další parametry

    Sklademfalse
  • Přečetl(a) jsem si a beru na vědomí zpracování osobních údajů.