Provedení:
  • U této položky se jedná pouze o typ G
  • Tvar C a D cementovaný, tvar G zušlechtěný.



    Použití:
  • Tvar G je díky velkému průměru vhodný též k upínání přes drážky upínek.
  • Úhlové vyrovnání až do 3° při použití v soupravách.



    Norma:
  • DIN 6319 (tvar G podobný DIN 6319).



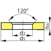
    Technické údaje
  • Typ - 6319G
  • Pro závit - M14
  • ⌀ otvoru d2 - 16,5 mm
  • Vnější ⌀ d5 - 40 mm
  • Tloušťka h4 - 6 mm


    Další parametry

    Sklademfalse
  • Přečetl(a) jsem si a beru na vědomí zpracování osobních údajů.