Použití:
  • Pro výrobu drážkových kamenů s neobvyklým závitem.



    Norma:
  • DIN 508



    Materiál:
  • Ocel k zušlechtění, neupravená (= polotovar, bez závitu).



    Poznámka:
  • Plná zatížitelnost pouze při sešroubování přes celou délku závitu.



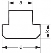
    Technické údaje:
  • Typ - 508
  • Jmenovitý rozměr T-drážky - 10 mm
  • Výška kamene - 8 mm
  • Šířka a - 9,7 mm
  • Šířka e - 15 mm
  • Výška k - 6 mm


    Další parametry

    Sklademfalse
  • Přečetl(a) jsem si a beru na vědomí zpracování osobních údajů.